现状
在现实结构设计中,我们经常碰到超长超大地下室(包括底板、楼板、地下室外墙等),最大尺寸往往在200m以上。
超长超大地下室需要解决三个问题,其一,混凝土在凝结过程中的收缩问题;其二,超长超大混凝土在使用过程中的应力问题;其三,由上部结构高度差异、基础形式差异、地基持力层差异等因素引起的竖向变形差。
针对前两个问题,设计师通常采用设置伸缩缝或伸缩后浇带及其他措施,比如附加钢筋、添加膨胀剂、添加纤维、加强养护等;针对后一个问题,通常采用设置沉降缝或沉降后浇带的措施。
由于地下室设缝,对后期使用影响较大,难免出现漏水等问题,所以,现在的主流趋势是,如果后浇带可以解决问题,就尽量不设缝。
设置后浇带的问题
然而,设置后浇带,依然存在不少问题:
(1)施工困难,质量难以保证,后浇带封闭浇筑前,地下室始终处于漏水状况,雨水、杂物和各种形式垃圾进入后浇带内,造成污染并使钢筋锈蚀。清理时要花很多劳动力,钢筋除锈不仅费工且不宜除净,影响质量;
(2)沉降后浇带长期存在(一般到主楼封顶方可封闭),容易造成安全隐患,尤其对于深基坑的安全隐患尤为严重;
(3)沉降后浇带长期存在,高水位地区(尤其是承压水)必须长时间降水,严重影响施工开展,施工费用高、浪费水资源,不仅不符合绿色施工,且有可能影响周围建筑物安全;
(4)在后浇带混凝土浇筑时,因该处结构早已封闭,因此混凝土运输十分困难,泵送混凝土无法使用。只能采用人工运输缓慢浇筑,还要派专人养护14天,且零星分散不好管理。根据项目反应,后浇带后期浇筑效果往往不理想,验收时常发现后浇带自身开裂问题;
(5)严重影响模板周转,因后浇带(指楼盖)两侧板、两底模、支撑都不能拆除,很大一部分的模板长期无法周转,尤其是沉降后浇带几个月甚至1~2年无法拆除;
(6)影响施工进度:影响机电、装修的立体交叉作业;影响构件堆放、吊装;
(7)沉降后浇带未封闭前,地下室顶板回填土无法回填,现场场地无法平整使用,造成道路不通顺,给整个现场施工造成了极大困难。
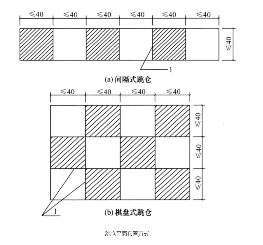
解决方式—跳仓法
国内针对超长大体积混凝土采取主动裂缝控制技术从第一代的“永久变形缝法”,进化到第二代“后浇带法”,针对第2节中提到的问题,又进化到第三代“跳仓法(无缝分块防抗法)”。
跳仓法,是将结构按不开裂长度进行分仓,根据混凝土供应条件对大体积混凝土结构采取跳仓浇筑的方法施工,相邻仓的间歇时间为7d,此期间混凝土应力得到松弛,抗拉性能得到提高,前后仓应力叠加,降低拉应力,有利控制温度收缩应力和有害裂缝的出现,避免采用永久性变形缝和后浇带。跳仓法是将后浇带法两缝变一缝(施工缝),缝中设置钢板止水带。
跳仓法的基本原理是“抗、放结合,先放后抗”,“放”的思想与施工后浇带原理一样,就是切开构体释放收缩应力。
胶凝材料(水泥)水化放热速率较快,1d~3d达到峰值,以后迅速下降,经过7d~14d接近环境温度。
“抗”的思想是在不增加胶凝材料用量的基础上,尽量提高混凝土的抗拉强度,主要从控制混凝土原材料性能、优化混凝土配合比入手,包括控制骨料粒径、级配与含泥量、尽量减小胶凝材料用量与用水量,控制混凝土入模温度与入模坍落度,以及混凝土“好好打”保证混凝土的均质密实等方面。

跳仓法的应用
跳仓法起源于工业建筑领域,在20世纪70年代,武钢(箱筏设备基础总长686m)、上海宝钢(箱形设备基础总长912m)建设时期,王铁梦教授即采用了跳仓法整体施工,不留后浇带,取得了很好的效果并积累了实践经验。
随着超长、深基坑民用工程越来越多,部分大型民用工程尝试了跳仓法,比如贵阳机场楼板、沈阳万达底板、厦门国际会议中心楼板、海峡交流中心底板等。
2013年,北京市着手编制北京市地方标准,并于2015年8月正式实施DB11/T1200-2015 《超长大体积混凝土结构跳仓法技术规程》,此时,北京市采用跳仓法施工的项目已有60余项,全国有150余项。
随后,跳仓法逐渐在全国民用工程中推广,多地多部门成立了结构裂缝控制中心(跳仓法为其中一个重要措施)。应用实例包括:厦门梧村汽车站地下商业街、厦门宝龙一城、厦门海峡交流中心二期、雄安新区雄东片区A单元安置房、深圳前海周大福金融大厦工程、广州知识塔项目、海口美兰机场、杭州世博中心项目等。
2019年11月28日,中国工程建设标准化协会发布了T/CECS 640-2019 《超长大体积混凝土结构跳仓法技术规程》。该规程已于2020年4月1日实施。
其实,即使翻开《高规》(JGJ3-2010)13.9.7条,"超长大体积混凝土施工可采取留置变形缝、后浇带施工或跳仓法施工"。
可见,无论是应用实践,还是规范条文,跳仓法都是一项成熟的控制超长大体积混凝土裂缝的措施。

跳仓法的问题
跳仓法的概念非常简单,对工程管理确实有很多好处。如果我们去搜索跳仓法的相关文献,几乎清一色的赞誉之词。
但是,凡事,有利总有弊,我们既要关注跳仓法的优势,也要看到它的不足。
我们回想一下,相比后浇带,跳仓法的问题是什么?
跳仓法加快了混凝土的合拢时间。
按照《高规》,后浇带的合拢时间为45d;跳仓法的混凝土合拢时间约为7d。
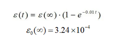
参考王铁梦《工程结构裂缝控制》(第二版):
任意时间混凝土收缩量计算公式为:

7d,混凝土的收缩应变约完成7%;45d,完成36%;90d,完成60%;

大致可以推算,第7d,混凝土合拢后,至第45d,混凝土发生的收缩应变约为0.94e-4(相当于温差9.4℃),此期间,混凝土的平均弹性模量取为2.39e4(以C40为例),则对应的收缩拉应力约为2.25Mpa。也就是说,因为混凝土提前合拢,约增加了2.25Mpa的收缩拉应力。
混凝土的平均抗拉强度标准值约为2.1Mpa,依靠混凝土自身的抗拉强度抵抗收缩拉应力,略显不足。
第二个问题,无论是跳仓法还是后浇带,都是解决混凝土施工期间的收缩问题,不能解决后期使用期间的温度应力。
因此,规范也明确,跳仓法的实施范围为工业与民用建筑地下室,因为地下工程在地下土回填以后,以及正常使用阶段,温度变化较小,后期使用期间的温度应力也较小。
第三个问题,跳仓法不能解决结构沉降差,所以,并不能因为采用跳仓法,而取消沉降缝或沉降后浇带。但是,我们想一想,如果保留沉降缝或沉降后浇带,跳仓法的优势就会大打折扣。
所以,推进跳仓法工艺的专家们进一步研究了设置沉降后浇带的必要性。他们指出,主楼与裙楼之间的地基反力及沉降变形是渐变的,不存在明显的变形差,并通过很多实测数据说明这个问题。

文献给出了几个取消沉降后浇带的实例。
(1)北京丽泽商务区首创中心F02、F03地块,3栋塔楼,1栋200m,1栋150m,1栋120m,裙房5层,地下4层,埋深23m。塔楼、裙房均采用天然地基,持力层为卵石,150m、120m高塔楼采用平板式筏基,裙房采用独立柱基、墙下条基加防水板。
裙房独立柱基加防水板,板下设聚苯软垫。施工期间150m、120m高塔楼与裙房之间均未设置沉降后浇带。
(2)北京中国尊项目,主塔楼地上108层,建筑高度528m,地下7层,埋深38m,局部40m,采用桩筏基础,主塔楼两侧纯地下室部分采用天然地基,持力层为黏性土层。
塔楼与纯地下室之间过渡区亦有布桩;所有桩均采用桩侧桩端后注浆。该工程528m主塔楼与相邻纯地下室之间未设沉降后浇带。
接下来,我们按广东省的典型项目进行推算。
在广东省,很多超高层项目都采用微风化嵌岩桩,微风化岩的压缩可以忽略,桩变形主要由桩身压缩引起。
桩承载力特征值主要由桩身强度控制,即0.75fcAp,假设桩身强度利用率为80%,则基本组合下,桩反力约为0.8X0.75fcAp,基本组合的验算工况为1.3D+1.5L,桩身压缩变形按准永久组合考虑,即1.0D+0.5L,假设活载为恒载的10%,则基本组合与准永久组合的换算系数为1.38,即准永久组合下,桩反力为0.8X0.75fcAp/1.38=0.435fcAp。
桩身混凝土强度等级为C50,弹性模量为3.45e4Mpa,对应压缩应变为2.91e-4,当桩长为35m时,压缩变形为10mm,考虑混凝土在长期荷载作用下的收缩徐变效应,最终,桩的绝对压缩变形约为20mm。
假设裙房采用桩基础,裙房也会有一定沉降,则塔楼与裙房之间的沉降差小于20mm。
参考《跳仓法规程》4.1.3条,主楼、裙房或地下车库的基础采用桩基,经计算相邻跨的柱或墙不均匀沉降值小于L/500,或绝对差异沉降小于30mm,可以不设置沉降后浇带。
如果各位朋友有嵌岩桩的沉降实测数据,欢迎交流讨论。
跳仓法的加强措施
相比设置后浇带,跳仓法的温度收缩应力更大,那么请问,我们需要采取什么加强措施?
抱歉,规范和文献并没有给出我们期待的加强措施。
规范的要求主要针对混凝土的配合比、养护、施工等方面。和设计相关的主要是这条,建议在设计图纸中明确采用60d或90d龄期的强度指标作为混凝土设计强度。
采用后期强度,可以利用大掺量粉煤灰替代水泥,粉煤灰早期水化活性较低,可有效降低混凝土的水化热,从而降低大体积混凝土的温峰和温升速率,有效地减小裂缝。
另外,跳仓法规程要求,不应掺加任何膨胀剂和膨胀类外加剂,强调通过高品质的“普通混凝土好好打”,提高混凝土的匀质性,降低变异性。
文献中的其他措施:

文章参考:
(1)CECS 640-2019 超长大体积混凝土结构跳仓法技术规程;
(2)GB50496-2018大体积混凝土施工标准;
(3)超长大体积混凝土跳仓法工程设计中的关键问题,周笋,李国胜等;
(4)大型国际航站楼超长、大体积混凝土结构的跳仓法施工技术,庞程程,付敏等;
(5)后浇带设置相关问题分析,杨嗣信,李国胜等;
(6)巧用跳仓法取消施工后浇带,史宏刚,刘振华等;
(7)跳仓法综合技术在超长地下结构裂缝控制的应用,王敬东,王涛等;
(8)图解超长大体积混凝土结构施工关键技术,吴龙生,周迅等;
(9)网络文章。
文章已获转载权,来自于微信公众号【JIE构生活】,作者鲲鹏
小智审图团队成立于2017年9月,位于中国10个软件产业基地之一、国家软件出口创新基地 —— 成都天府软件园。团队成立以来,一直秉承“科技改变设计”的理念,专注于为建筑设计领域的企业和个人提供科技产品的创新和服务。
联系地址:四川省成都市高新区天府软件园D区
客服邮箱:xiaozhishentu@qq.com
客服 QQ:832658570

微信扫码添加客服
微信扫码添加客服为好友